Your current location:
Home
>
Product Center
>
Angle Clamp
Product Center
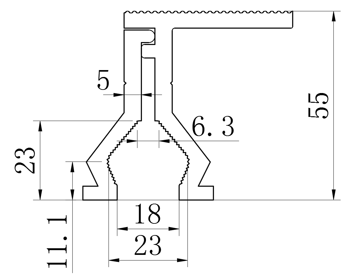
TSD-MH-JC24

All Sizes:
size1
Product Photos:
Camera Angles1 Split Diagram